금형제작은 정밀한 기술과 창의성의 결합입니다.
이 과정에서 금형제작 도면의 작성은 핵심적인 단계로, 제품의 품질과 제작 효율성을 결정짓는 요소입니다.
이 글에서는 금형제작 도면 작성의 전 과정을 탐구하며, 그 중요성과 구체적인 진행 과정에 대해 자세히 알아보겠습니다.
금형제작 도면의 중요성
금형제작 도면은 제품 설계의 출발점으로, 제품의 기능, 모양, 크기를 결정합니다.
도면은 금형제작 과정에서 발생할 수 있는 오류를 최소화하고, 제품의 품질을 보장하는데 핵심적인 역할을 합니다.
정확하고 세밀한 도면 작성은 제품의 성공적인 제작을 위한 첫걸음입니다
금형제작 도면의 중요성
금형제작 도면 작성의 단계
1. 초기 설계 및 계획
- 제품의 기능과 요구 사항을 기반으로 첫 번째 설계안을 작성합니다. 이 단계에서는 제품의 기본 구조와 치수를 결정하며, 사용될 재료와 제조 방법에 대한 고려가 이루어집니다.
2. 상세 설계
- 초기 설계를 바탕으로 더 상세한 도면을 작성합니다. 이 단계에서는 치수, 재료, 공차, 표면 처리 방법 등을 상세하게 명시합니다. 제품의 내구성, 안전성, 그리고 제조 가능성에 대한 평가도 이루어집니다.
3. 검토 및 수정
- 상세 설계가 완료되면, 전문가의 검토를 통해 도면에 있는 모든 오류나 불명확한 부분을 수정합니다. 이 단계는 제품의 최종 품질에 큰 영향을 미치므로, 세심한 검토가 필요합니다.
4. 최종 도면 완성
- 모든 검토와 수정을 거쳐 최종 도면을 완성합니다. 최종 도면은 제작 과정에서의 지침서로 사용되며, 제품 제작의 모든 세부 사항을 포함합니다.
금형제작 도면 작성하기
조립도면을 완성한다.
레이아웃 도면을 근거로 하여 조립, 가공, 공정 담당자들과 협의 후 금형조립도를 완성한다.
금형제작 진행 중에 변경내용이 발생하게 되면 손실비용 및 납기지연이 불가피하게 되기 때문에 조립도의 완성과정에 있어서 금형사양서의 항목들을 모두 반영 및 확인한다.
1. 냉각 설계 시 다음 내용을 고려한다.
(1) 균일배치
균일한 냉각의 배치를 가장 우선으로 한다. 일부 냉각이 효과적이지 못한 곳이 발생하 면 그 부분이 냉각저하에 의해 사이클 타임 전체가 영향을 받기 때문이다.
(2) 우선순위
스프루나 게이트 등 금형온도가 제일 높은 곳에 먼저 유입하도록 또는 단독회로로 구 성한다.
(3) 금형강도를 고려한다.
냉각 효율을 높이기 위해 제품부에 근접하게 배치하여야 하나, 사출압력의 반복 작용으로 성형부가 파손되지 않도록 최소 15mm 이상 떨어지게 한다. 특히 제품의 코너 부 위는 노치효과에 의한 크랙발생을 고려하여 가능한 피해야 한다.
(4)구조를 설계한다.
누수문제, 방청 등을 고려하여 가급적 구조는 간단하게 설계한다.
2. 취출 적용 시 다음 사항을 고려한다.
(1) 밀핀 위치 설정 시 고려사항
밀핀을 배치할 때는 성형품의 이형저항을 고려, 밸런스가 맞도록 해야 한다. 이젝팅 시 접촉 면적이 적으면 백화, 크랙의 원인이 된다. 공기나 가스가 모이는 곳에 설치하 여 에어벤트 대용으로도 사용한다. 밀핀의 작동구간 길이 L은 밀핀 직경의 2~3배 정도 로 하되 최소 20mm 이상 적용한다.
(2) 슬리브 적용 시 고려사항
제품의 보스에 배치한다. 슬리브 살두께가 얇은 것은 균열의 위험이 있으므로 두께가 1.5mm 이상 적용한다.
제품의 이형력이 크게 필요한 곳은 내측 형상에 제약이 없을 시 보스설치를 고려한다.
(3) 사각밀핀 적용 시 고려사항
밀핀 홀의 가공이 어려우므로 특수가공 또는 코아를 분할하여 적용한다. 2단일 경우 스트로크 계산 시 유의해야 한다. (작동에 간섭을 초래할 수 있다.) 제품의 수축방향을 고려하여 성형품의 변형발생을 유발하지 않도록 한다.
3. 정리한 내용을 토대로 금형 조립도를 완성한다.


부품도면을 작성한다.
금형의 성형 부위가 성형품의 품질에 직접적인 영향을 미치고 일반적으로 가공 공수가 가장 많아 금형의 납기에도 가장 영향이 크다.
따라서 도면 작성 시 가장 먼저 진행하여 수립된 일정 진행에 차질이 없도록 할 뿐만 아니라 도면 검도 역시 철저히 진행한다.
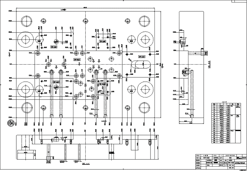
1. 상원판 도면을 작성한다.
상측 캐비티 및 스프루 부시가 안착되는 곳으로 상측 캐비티의 고정 볼트 홀 및 냉각 인 아웃이 설치되어 있으며 상원판 도면 작성 방법은 아래 내용을 참조한다.
- 상측 조립도에서 상원판 이외의 부품 형상을 삭제 또는 조립도에 표현되지 않은 형상 요소를 추가하여 도면의 기본 형상을 표현한다.
- 일반적으로 평면도와 정면도 또는 측면도로 구성하되 상세 표현이 필요할 경우 정면도 와 측면도를 모두 작성하거나, 단면도를 작성한다.
- 작성된 도면에 치수를 기입한다.
- 치수 기입 시 몰드베이스(mold base) 제작과정에서 이미 작업이 완료된 부분에 있어서 는 치수 기입을 생략하여 도면을 간소화한다.
- 본 도면의 경우 캐비티 삽입을 위한 포켓 및 고정 볼트 홀, 슬라이드 작동을 위한 앵귤 러 핀(angular pin) 홀 및 슬라이드 로킹 블록(slide locking block) 고정 포켓 이외에 캐 비티의 냉각을 위한 냉각 홀 및 O-ring 홈 등이 표현되어야 한다.

2. 하원판 도면을 작성한다.
코어 안착, 냉각 인 아웃이 설치 및 취출을 위한 밀핀 홀들이 위치한다.
제품의 언더컷 해소를 위한 슬라이드 코어의 안착 위치도 대체로 하원판에 위치한다. 밀 핀 홀의 가공을 위하여 홀들의 좌표가 표시되며 하원판 도면 작성 방법은 아래 내용을 참조한다.
- 하측 조립도에서 하원판 이외의 부품 형상을 삭제 또는 조립도에 표현되지 않은 형상 요소들을 추가하여 도면의 기본형상을 표현한다.
- 일반적으로 평면도와 정면도 또는 측면도로 구성하되 상세 표현이 필요할 경우 정면도 와 측면도를 모두 작성하거나, 단면도를 작성한다.
- 작성된 형상에 치수를 기입한다.
- 치수 기입 시 몰드베이스 (mold base) 제작과정에서 이미 작업이 완료된 부분에 있어서 는 치수 기입을 생략하여 도면을 간소화 한다.
- 본 도면의 경우 코어 삽입을 위한 포켓, 고정 볼트 홀, 슬라이드 코어의 적용을 위한 포 켓, 가이드레일 조립 탭 및 앵귤러핀 도피 홀, 경사 코어의 작동을 위한 도피 홀, 코어의 냉각을 위한 냉각홀 및 O-ring 홈 및 밀핀 적용을 위한 밀핀 홀 등이 표현되어야 한다.
- 밀핀 홀 및 오링 홈 위치표시는 도면의 간소화를 위해 별도의 좌표 테이블을 작성한다.

3. 코어 도면을 작성한다.
제품의 형상 부위를 포함하거나 매 쇼트(shot)마다 작동이 되고 있는 부품으로 재질 선정 시 내구성 및 내마모성이 우수한 재질을 적용하도록 하며 코어 도면 작성 방법은 아래 내용을 참조한다.
- 조립도에서 각각의 코어 형상을 추출하여 코어 형상을 표현한다.
- 상세 표현이 필요할 경우 정면도와 측면도를 모두 작성하거나, 단면도 및 상세도를 추가 작성한다.
- 작성된 형상에 치수를 기입한다.
- 코어의 경우 복잡한 제품 형상 부분은 각 공정별 특성에 맞게 치수기입을 한다. 즉, 3D 모델링을 활용하여 CNC 가공을 할 경우 치수 기입을 생략할 수 있으나 추후 검증을 위 한 기본 치수는 도면에 명기 하는 것이 바람직하다.
- 와이어커트(wire-cut) 공정이 필요한 경우 코어 소재의 기본 사이즈 및 와이어커트 레이 아웃(wire-cut lay-out) 도면을 추가한다.
- 침탄 또는 질화 처리 등의 열처리가 필요한 코어에는 열처리 진행에 대한 내용을 기입 한다.
4. 판재류 도면을 작성한다.
상측 고정판의 경우는 일반적으로 몰드베이스(mold base) 입고 시 기본적인 가공이 완료된 상태로 입고된다.
따라서 별도의 도면이 필요하지 않은 경우가 대부분이나, 간혹 추가 가공 공수가 많을 경우 별도의 도면 작성이 필요하다.
- 조립도에서 판재류 형상을 추출하여 형상을 표현한다.
- 상세표현이 필요할 경우 정면도와 측면도를 모두 작성하거나, 단면도 및 상세도를 추가 작성한다.
- 작성된 형상에 치수를 기입한다.
- 밀핀 및 슬리브 밀핀 등의 좌표 표시, 경사 코어 유닛의 설치 위치 및 지지봉 적용 치 수 등을 표시한다
5. 기타 부품의 도면을 작성한다.
기타 부품의 도면 작성 방법은 아래 내용을 참조하여 설계를 한다.
- 조립도에서 부품류 형상들을 추출 또는 표현되지 않은 부품들의 형상을 표현한다.
- 작성된 형상에 치수를 기입한다.
- 열처리가 필요한 부품류 도면에는 필요 열처리 내용을 기입한다.
- 밀핀 등 도면이 필요 없는 표준화 된 구매 부품의 경우 파트리스트(part list)를 작성한다.
마무리
금형제작 도면 작성은 제품의 품질과 제작 과정의 성공을 위한 필수적인 과정입니다. 각 단계는 정확하고 세심하게 수행되어야 하며, 최종 도면은 제품 제작의 중요한 지침서로 기능합니다. 정확한 금형제작 도면 작성은 금형제작의 성공을 보장하는 가장 중요한 첫 단계입니다.
금형 제작 기초: "금형이란 무엇인가?"
제조업의 핵심인 금형제작! 이 용어를 들어본 적이 있나요? 금형은 제품 제작의 기반이 되는 중요한 요소입니다. 하지만 많은 사람들이 금형이 무엇인지, 왜 중요한지에 대해 깊이 이해하지 못
mecaji.tistory.com
레이아웃 도면 작성의 중요성: 금형 제작의 첫걸음
금형제작은 정밀한 엔지니어링과 창의성이 어우러진 예술과도 같습니다. 이 과정의 첫걸음인 '레이아웃 도면 작성'은 금형제작의 기초이자 가장 중요한 단계 중 하나입니다. 이 글에서는 레이
mecaji.tistory.com
'엔지니어 기술 자료 > 기계 설계' 카테고리의 다른 글
| 금형 제작 과정: 설계에서 실현까지 (0) | 2023.11.23 |
|---|---|
| 무두 볼트: 기계 설계에서의 중요성과 완벽한 사용 가이드 (0) | 2023.11.22 |
| 레이아웃 도면 작성의 중요성: 금형 제작의 첫걸음 (0) | 2023.11.20 |
| screw 규격 및 체결 기술에 대한 설명 (0) | 2023.11.12 |
| 프레스 금형 가공 종류에 따른 도면 설명 (0) | 2023.08.11 |
댓글