프레스 금형 가공 종류에 따른 도면 설명
프레스 금형의 제도에 대해 금형 도면을 가지고 설명하겠습니다.
원통 드로잉 금형
원통 드로잉 금형은 판재를 원통형의 용기로 성형하는 금형입니다.
펀치와 다이를 이용하여 판재를 전단하고, 펀치를 다이 안으로 밀어 넣어서 판재를 늘리고 구부리는 과정을 반복합니다.
원통형 드로잉 금형의 원리
원통형 드로잉 금형은 평평한 금속판을 원통형 형태로 만드는 데 사용됩니다. 이 과정에서 금속판은 먼저 금형에 의해 잡히고, 그 후 내부 펀치로 금속을 원통형으로 늘리게 됩니다. 이 방법은 복잡하지 않은 형태의 금속 제품 제작에 매우 효과적입니다.
원통 드로잉 금형은 다음과 같은 특징을 가집니다.
- 원통 드로잉 금형은 여러 단계의 성형 과정을 거쳐야 하므로, 금형의 수가 많고, 설계와 제작이 복잡합니다.
- 원통 드로잉 금형은 판재의 두께와 재료, 틈새, 펀치와 다이의 모양과 크기, 성형 속도 등에 따라 성형 품질과 수명이 달라집니다.
- 원통 드로잉 금형은 판재의 두께가 일정하지 않고, 판재의 표면에 주름이나 균열이 생길 수 있으므로, 재료의 드로잉성과 펀치와 다이의 날부에 R을 주는 것이 중요합니다.

응용 분야
원통형 드로잉 금형은 주로 산업용 컨테이너, 파이프, 그리고 다양한 유형의 금속 포장재 제작에 사용됩니다. 특히, 높은 정밀도와 일관된 품질이 요구되는 제품에 적합합니다.
제조 공정에서의 중요성
원통형 드로잉 금형은 금속 가공의 효율성과 정밀도를 크게 향상시킵니다. 이 금형을 사용하면 복잡한 공정 없이도 정확한 형태의 금속 제품을 빠르게 생산할 수 있습니다. 또한, 원자재의 낭비를 줄이고 생산 비용을 절감하는 데에도 기여합니다.
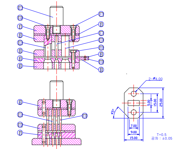
원통 피어싱 금형
원통 피어싱 금형은 원통형의 용기에 구멍을 뚫는 금형입니다.
펀치와 다이를 이용하여 원통형의 용기에 전단력을 가하여 재료를 절단하고, 스크랩처럼 나온 부분을 제거합니다.
원통형 피어싱 금형의 원리
원통형 피어싱 금형은 금속판이나 파이프에 원형의 구멍을 뚫는 데 사용됩니다. 이 금형은 금속 재료를 고정시킨 후, 특정한 크기와 형태의 펀치를 사용하여 구멍을 뚫는 방식으로 작동합니다. 정밀한 치수와 모양의 구멍을 빠르고 효율적으로 가공할 수 있어 매우 유용합니다.
원통 피어싱 금형은 다음과 같은 특징을 가집니다.
- 원통 피어싱 금형은 원통형의 용기에 다양한 형태와 크기의 구멍을 뚫을 수 있습니다.
- 원통 피어싱 금형은 구멍의 위치와 간격, 틈새, 펀치와 다이의 모양과 크기, 성형 속도 등에 따라 성형 품질과 수명이 달라집니다.
- 원통 피어싱 금형은 구멍의 모양과 크기에 따라 다양한 형태의 펀치와 다이를 사용할 수 있습니다.

벤딩 금형
벤딩 금형은 판재를 원하는 각도로 굽히는 금형입니다.
펀치와 다이를 이용하여 판재에 전단력을 가하여 재료를 변형시킵니다.
벤딩 금형의 원리
벤딩 금형은 금속판이나 시트를 구부려 원하는 형태로 만드는데 사용되는 도구입니다. 이 금형은 금속을 정확한 각도로 구부릴 수 있도록 설계되며, 정밀한 가공을 가능하게 합니다. 벤딩 작업은 금속의 유연성을 이용하여 진행되며, 이 과정에서 금속의 두께와 재질이 중요한 역할을 합니다.
벤딩 금형의 종류
벤딩 금형은 사용되는 금속의 종류와 필요한 벤딩 각도에 따라 다양한 형태로 제작됩니다. V-벤딩, U-벤딩, 에지 벤딩 등 다양한 유형의 벤딩 금형이 있으며, 각각의 특성에 맞게 설계되어 사용됩니다.
벤딩 금형은 다음과 같은 특징을 가집니다.
- 벤딩 금형은 여러 가지 형상과 크기의 펀치와 다이를 사용할 수 있습니다. 예를 들어, 표준, 구스넥, 직검, 샤시, R 금형 등이 있습니다.
- 벤딩 금형은 재료의 두께와 재료, 틈새, 펀치와 다이의 모양과 크기, 성형 속도 등에 따라 성형 품질과 수명이 달라집니다.
- 벤딩 금형은 스프링-백이라는 현상을 고려해야 합니다. 스프링-백은 재료가 변형될 때 원래의 평평한 모양으로 되돌아가려는 경향입니다. 스프링-백을 보상하기 위해 원하는 각도보다 더 많이 굽히는 것을 오버-벤딩이라고 합니다.

트리밍 금형
트리밍 금형은 주조나 단조 등의 성형 공정에서 만들어진 제품의 불필요한 부분을 절단하는 금형입니다.
트리밍 금형은 펀치와 다이로 구성되어 있으며, 펀치는 제품의 형상에 맞게 제작되고, 다이는 제품의 외형이나 구멍을 절단하는 역할을 합니다.
트리밍 금형의 기본 원리
트리밍 금형은 제조 공정에서 금속 또는 기타 재료의 불필요한 부분을 제거하는 데 사용됩니다. 이 금형은 정밀하게 설계되어, 제품의 최종 형태를 정확하게 형성하며, 과도한 재료를 효율적으로 절단합니다. 트리밍 과정은 제품의 품질과 외관을 결정짓는 중요한 단계입니다.
트리밍 금형의 응용 분야
트리밍 금형은 자동차 산업, 항공 우주 산업, 가전 제품 제조 등 다양한 분야에서 사용됩니다. 특히, 복잡한 형상의 금속 부품이나 정밀한 구조물을 제작할 때 필수적입니다. 이 금형을 사용함으로써, 제품의 정확도와 일관된 품질을 유지할 수 있습니다.
트리밍 금형은 다음과 같은 특징을 가집니다.
- 트리밍 금형은 성형된 제품의 정밀도와 완성도를 높이기 위해 사용됩니다.
- 트리밍 금형은 스크랩이라고 부르는 절단된 재료를 배출하는 장치가 필요합니다.
- 트리밍 금형은 성형된 제품의 형상과 크기에 따라 다양한 형태로 제작될 수 있습니다.

콤파운드 금형
콤파운드 금형이란, 프레스 가공에서 두 가지 이상의 전단 공정을 한 번에 수행할 수 있도록 설계된 금형입니다.
예를 들어, 노칭, 피어싱, 블랭킹 등의 공정을 동시에 수행할 수 있습니다.
콤파운드 금형의 장점은 다음과 같습니다.
- 콤파운드 금형은 하나의 금형으로 여러 가지 공정을 수행할 수 있으므로, 금형의 수를 줄이고, 작업 시간을 단축할 수 있습니다.
- 콤파운드 금형은 제품의 치수, 평면도, 홀 위치 등이 정확하고 일관되게 유지될 수 있습니다.
- 콤파운드 금형은 재료의 이용률을 높이고, 스크랩의 양을 줄일 수 있습니다.
콤파운드 금형의 단점은 다음과 같습니다.
- 콤파운드 금형은 금형의 구조가 복잡하고, 제작 비용이 높습니다.
- 콤파운드 금형은 제품의 형상과 크기에 따라 다양한 형태로 제작되어야 하므로, 표준화가 어렵습니다.
- 콤파운드 금형은 펀치와 다이의 마모가 심하고, 수리가 어렵습니다.

순차 이송 금형
순차 이송 금형이란, 프레스 가공에서 띠 모양의 소재를 연속적으로 이송하며 여러 가지 공정을 한 번에 수행할 수 있도록 설계된 금형입니다.
예를 들어, 노칭, 피어싱, 블랭킹, 벤딩 등의 공정을 동시에 수행할 수 있습니다.
순차 이송 금형의 장점은 다음과 같습니다.
- 순차 이송 금형은 하나의 금형으로 여러 가지 공정을 수행할 수 있으므로, 금형의 수를 줄이고, 작업 시간을 단축할 수 있습니다.
- 순차 이송 금형은 제품의 치수, 평면도, 홀 위치 등이 정확하고 일관되게 유지될 수 있습니다.
- 순차 이송 금형은 재료의 이용률을 높이고, 스크랩의 양을 줄일 수 있습니다.
순차 이송 금형의 단점은 다음과 같습니다.
- 순차 이송 금형은 금형의 구조가 복잡하고, 제작 비용이 높습니다.
- 순차 이송 금형은 제품의 형상과 크기에 따라 다양한 형태로 제작되어야 하므로, 표준화가 어렵습니다.
- 순차 이송 금형은 펀치와 다이의 마모가 심하고, 수리가 어렵습니다.

도면 및 설계의 중요성
프레스 금형의 설계와 도면은 제품의 최종 품질에 직접적인 영향을 미칩니다. 따라서, 정확한 치수, 재질 선택, 그리고 내구성에 대한 고려가 필요합니다. 특히, 금형의 정밀도와 재료의 특성을 고려한 설계는 필수적입니다.
프레스 금형은 제조업에서 품질과 효율성을 높이는 데 중요한 도구입니다. 이 금형의 정확한 설계와 제작은 제품의 완성도를 높이고, 제조 공정의 최적화에 기여 합니다.
프레스 금형 가공 종류 및 도면 설명 (고정 방식)
프레스 금형은 직선 왕복 운동을 하는 프레스 기계에 특수 공구를 설치하여 금속 제품을 성형 가공하는 금형입니다. 프레스 금형의 제도는 KS의 기계제도를 기본으로 하고, 프레스 금형의 설계,
mecaji.tistory.com
프레스 금형 가공 종류 및 도면에 대한 설명 (다이 종류)
프레스 금형 가공은 제조 산업에서 중요한 역할을 하는 공정입니다. 이 블로그에서는 프레스 금형의 다양한 가공 유형과 필수적인 도면에 대해 자세히 탐구하고자 합니다. 이 내용은 기계공학,
mecaji.tistory.com
'엔지니어 기술 자료 > 기계 설계' 카테고리의 다른 글
| 레이아웃 도면 작성의 중요성: 금형 제작의 첫걸음 (0) | 2023.11.20 |
|---|---|
| screw 규격 및 체결 기술에 대한 설명 (0) | 2023.11.12 |
| 프레스 금형 가공 종류 및 도면 설명 (사각 블랭킹 금형) (0) | 2023.08.10 |
| 프레스 금형 가공 종류 및 도면 설명 (제도) (0) | 2023.08.04 |
| 프레스 금형 가공 종류 및 도면 설명 (치수기입 방법) (0) | 2023.08.03 |
댓글